光伏逆變器是光伏系統非常重要的一個設備,主要作用是把光伏組件發出來的直流電變成交流電,除此之外,逆變器還承擔檢測組件、電網、電纜運行狀態,和外界通信交流,系統安全管家等重要功能。在光伏行業標準NB32004-2013中,逆變器有100多個嚴格的技術參數,每一個參數合格才能拿到證書。國家質檢總局每一年也會抽查,對光伏并網逆變器產品的保護連接、接觸電流、固體絕緣的工頻耐受電壓、額定輸入輸出、轉換效率、諧波和波形畸變、功率因數、直流分量、交流輸出側過/欠壓保護等9個項目進行了檢驗。一款全新的逆變器,從開發到量產,要兩年多時間才能出來,除了過欠電壓保護等功能外,逆變器還有很多鮮為人知的黑科技,如漏電流控制、散熱設計、電磁兼容、諧波抑制,關鍵器件保護,效率控制等等,需要投入大量的人力和物力去研發和測試。
本文主要介紹逆變器中的IGBT保護技術
IGBT是一種功率器件,在逆變器中承擔著功率變換和能量傳輸的作用,是逆變器的心臟。同時,IGBT又是逆變器中最不可靠的元器件之一,對器件溫度、電流、電流非常敏感,稍有超標,一言不合便炸機,而且不可修復,IGBT損壞就意味著逆變器需要更換或者大修。因此IGBT是逆變器重點保護對象。

1、IGBT驅動保護
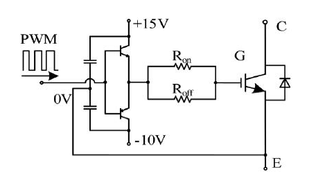
IGBT本身是一個電流開關的器件,什么時候開,什么時候關,開關多長時間是由逆變器的CPU來控制的,但是DSP輸出是一個PWM信號,速度很快,但功率不夠,驅動器最主要的作用是放大PWM信號。

IGBT控制很大的高頻大電流,會產生電磁干擾信號,驅動器又和IGBT隔得很近,因此驅動電路要有隔離功能,目前驅動隔離方案有光耦、光纖、脈沖變壓器、磁耦等幾種。各種方式的優缺點如下:

2、IGBT過電流/短路保護
IGBT在設計時,電流一般都會留有10%以上的裕量。但是,逆變器在工作時,由于組件、負載短路,負載側故障導致過流,負載側有特別大的感性負載,啟停時有很大的諧波電流,這時候逆變器輸出電流會急劇上升,導致IGBT的工作電流也會對應急劇上升。IGBT短路分為兩種情況:變流器的橋臂內發生直通,稱為一類短路,變流器短路點發生在負載側,等效短路阻抗較大,稱為二類短路。二類短路一般也可認為是逆變器發生較嚴重的過流。在短路發生時刻,如果不采取相關措施,就會導致IGBT快速進入退飽和,瞬態功耗超過限值而損壞,因為IGBT承受過電流的時間僅為幾微秒。因此,當短路發生時,要盡快關斷IGBT,而且關斷的速度要平緩,保證電流變化速率在一定范圍,避免關斷過快而引起電壓應力超過限值而損壞IGBT,有源鉗位的方案中增加快速響應措施,使得IGBT驅動能夠盡快動作。
3、IGBT過溫保護
當逆變器環境溫度過高、逆變器散熱不良,持續過熱均會導使IGBT損壞。如果器件持續短路,大電流產生的功耗將引起溫升,若芯片溫度超過硅本征溫度(約250℃),器件將失去阻斷能力,柵極控制就無法保護,從而導致IGBT失效。在設計時主要從兩個方面去考慮:第一,加強完善IGBT管的散熱條件,包括風道設計、散熱器的設計制作,加強制冷等;第二,設計過熱檢測保護電路,用IGBT模塊上內置的熱敏電阻來測量IGBT散熱溫度,是很準確的,當溫度超過設定值時,關斷IGBT使其停止工作。
4、IGBT機械故障保護
為了散熱方便,IGBT都是通過螺絲連接,安裝在散熱器上,這個螺絲的連接強度非常有講究,要恰到好處,如果力量太大,會損壞IGBT。如果力量太輕,在運輸和安裝過程中,由于振動會造成接觸不良,熱阻增加,器件過溫損壞。在安裝IGBT時,都會使用專門的螺絲批,根據IGBT型號,采用相應的扭力,保證IGBT既連接牢固,又不會損壞。
結論
IGBT是逆變器中最嬌氣,最敏感,最容易損壞的器件;同時也是逆變器中最昂貴,最關鍵的器件,逆變器必須采取很多措施去保護她。